登 录
免费注册
网站导航
五金
电子
纺织
家居
机械
万向联轴器传动有限公司
搜 索
首页
供应产品
资讯中心
公司介绍
联系我们
当前位置:
看商机
>
供应产品
>
XL/XLD星型弹性联轴器 ,弹性联轴器
XL/XLD星型弹性联轴器 ,弹性联轴器
<
>
价 格:
¥ 面议
供应总量:
1000
运费说明:
上海
发货至
详情
订购信息:
起订量()
价格
采购量
≥1
¥ 面议
-
+
1000
可售
总价:
¥ 面议
| 共1000
查看联系方式
立即询价
加入采购单
万向联轴器传动有限公司
商家等级:V1
诚信指数:
所在地区:上海 松江区
认证信息: 未认证
营业证照:
进入店铺
我要咨询
产品分类
机械工业
农产品加工
田间机械
耕地机械
农用机械配件
木工机械配件
仪器仪表
通用机械
五金/紧固件/轴承
紧固件
五金工具
五金配件
日用五金
水暖五金
门窗五金
工程机械/配件/二手机
工程机械
服装/纺织
女装
纺织
家居/家电/清洁/餐厨
厨房小家电
运动休闲/纺织/母婴
运动休闲
商品信息
基本参数
产地
上海
品牌
产品型号
产品操作
产品应用范围
产品材料等级
产品表面处理
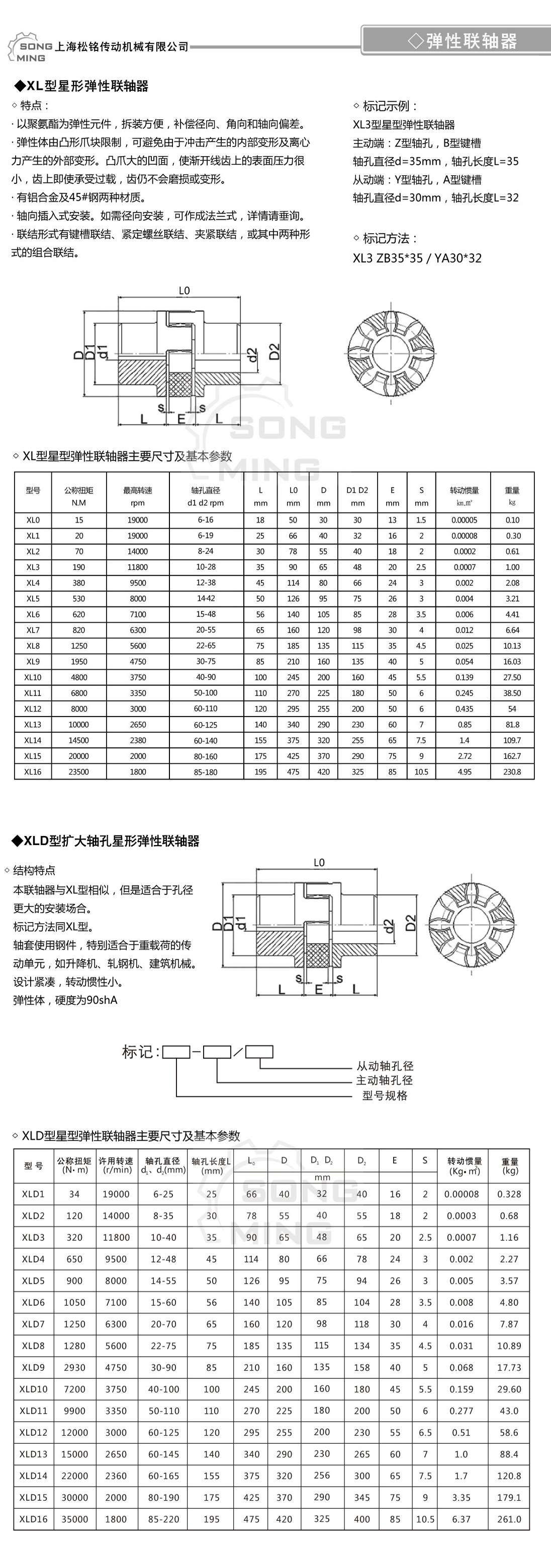
产品简介:
产品详情:产品中心XL/XLDstar弹性联轴器 ●该联轴器类似于xld种类,但适用于大口径安装。 ●记号方式与xld种类相同。